هواساز Air Handling unitدر علم تاسیسات به دستگاهی گفته می شود که عملیات فیلتراسیون و گرم و سرد کردن و کنترل رطوبت هوا را انجام دهد. در این دستگاه حداقل دو مورد از سه مورد ذکر شده وجود دارد در غیر این صورت اگر یکی از موارد فوق در دستگاه باشد نمی توان آن را دستگاه هواساز نامید.
>> راهنمای خرید هواساز ایرواشرهواساز Air Handling unitدر علم تاسیسات به دستگاهی گفته می شود که عملیات فیلتراسیون و گرم و سرد کردن و کنترل رطوبت هوا را انجام دهد. در این دستگاه حداقل دو مورد از سه مورد ذکر شده وجود دارد در غیر این صورت اگر یکی از موارد فوق در دستگاه باشد نمی توان آن را دستگاه هواساز نامید.
به منظور تکمیل اطلاعات مشتریان عزیز، توضیحات جامع و تخصصی در ارتباط با خرید محصولات هواساز ایرواشر در زیر به تفصیل بیان شده است.

هواساز (AHU) کاملترین دستگاه تهویه مطبوع است که تمامی عملیات تهویه مطبوع اعم از ضدعفونی و پاک سازی هوا ، سرد کردن ، گرم کردن ، تامین هوای تازه ،رطوبت گیری و... را به وسیله تجهیزات مختلف انجام می دهد.
این دستگاه از اجزای اصلی شامل : فن، کویل، فیلتر و بدنه تشکیل شده است و می توان بصورت آپشنال سیستم UV ، ازن ساز، کویل سرمایش مستقیم DX ، فیلتر های مخصوص مانند آلودگی هوای شهری، فیلتر های کیسه ای هپا و اولپا، سیستم ایرواشر، سیستم رطوبت گیر و رطوبت زن، مبدل هوا به هوا و هیت ریکاوری و... را درون آن تعبیه کرد.
اگر سیستم تنها دارای فن و سیستم فیلتراسیون باشد به آن فن باکس یا دستگاه تصفیه هوا گفته می شود.
اگر سیستم تنها دارای فن و کویل گرم و سرد باشد به آن فن کویل و یا یونیت هیتر یا یونیت کولر گفته می شود.
اگر سیستم تنها دارای رطوبت زن و رطوبت گیر باشد به آن ایردرایرو یا رطوبت ساز گفته می شود.
این دستگاه برای انجام عمل گرمایش نیاز به سیستم موتور خانه و تامین آبگرم دارد همینطور برای ایجاد سرمایش نیاز به تامین آب سرد چیلر دارد. و برای انجام عملیات رطوبت زنی نیاز به کویل بخار و تامین بخار توسط دیگ بخار را دارد.

هواساز ها به انواع مختلف یک منطقهای ، چند منطقهای ، هواساز هایژنیک ، هواساز ایرواشر و هوارسان تقسیمبندی میشوند.
هواساز یک منطقه ای که پر کاربردترین نوع هواساز است دارای حداقل امکانات فیلتر، کویل و فن است . و قابلیت نصب انواع امکانات پاکسازی و کنترل هوا و کنترل ظرفیت حرارتی و برودتی را دارد.
هواساز چند منطقه ای که به وسیله سیستمهای VAVحجم متغیر استفاده می شود. جهت کنترل دقیق تر و بهتر هوای هر منطقه از سیستم ساختمان طراحی و تولید میشوند که سیستم کنترل آن ها بسیار گرانقیمت و پیچیده است و عملا با روش سیستم نگهداری تاسیسات در ایران جوابگوی نیاز نخواهد بود.
هواساز هایژنیک جهت ایجاد فضای تمیز مانند فضاهای درمانی، داروسازی و مرکز تحقیقاتی و غیره به کار میرود که قیمت بالایی هم دارد.
هواساز ایرواشر که در واقع همان هواساز معمولی است با این تفاوت که به جای کویل سرمایی از سیستم ایرواشر شامل تشت آب و پمپ کفکش و نازل ها استفاده می کند.
لذا با توجه به اینکه با استفاده از سیستم هواساز ایرواشر، سیستم چیلر و کویل برودتی حذف میشود. میتوان این دستگاه را یکی از اقتصادی ترین روش های تهویه در فصل تابستان دانست.
هوارسان درواقع همان دستگاه هواساز است که تمام هوای مورد نیاز را از هوای تازه دریافت میکند و هوای برگشتی ندارد. هواساز هایژنیک نوعی از هوارسان است.
هواساز ها از نظر ساختار به دو دسته تقسیم می شوند:
هواساز یک منطقه ای یا سینگل زون به هواساز های معمول گفته می شود که دارای یک یا چند کویل انتقال حرارت سری هستند و هوای گرم یا سرد توسط فن دستگاه به داخل کانال خروجی و محیط هدایت می شود بوسیله این دستگاه می توان سرمایش و گرمایش و هوای تازه مورد نیاز محیط را تامین کرد و از سیستم های مختلف تصفیه هوا و رطوبت زنی و رطوبت گیری در این دستگاه بهره برد .

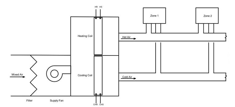
هواساز چند منطقه ای یا مولتی زون که به لحاظ ظاهری دارای ارتفاع بیشتری نسبت به نوع یک منطقه ای است ،دارای کویل گرمایش و سرمایش بصورت موازی است و هوای گرم یا سرد شده بصورت مجزا به محل های مورد نظر منتقل می شوند. با استفاده از این دستگاه میتوان سرمایش و گرمایش را بصورت همزمان در یک سیستم داشت و بوسیله دستگاه های مخصوص به نام باکس اختلاط هوا میزان هوای گرم و سرد مخلوط شده جهت تغذیه هر محیط را تنظیم کرد.
با توجه به دمای تنظیمی محیط و با استفاده از ترموستات ها و موتور دمپر ها میزان هوای سرد و گرم متناسب با نیاز محیط مخلوط میشوند.
در این مدل ، کویل دستگاه بعد از فن نصب می شود و جریان هوا روی کویل ها بصورت دمشی است که بتوان هوای سرد و گرم را بصورت مجزا در خروجی کویل ها تهیه کرد. اما در نوع تک زون و معمولی معمولا فن بعد از کویل نصب می شود و عبور هوا از روی کویل بصورت مکشی است.

دستگاه های چند منطقهای دارای مشخصات زیر می باشند.
هوادهنده چند منطقهای شامل کویل های سرمایی و گرمایی می باشد که در کاربردهای چند اطاقه که مولفه های بار تابعی از زمان بوده و به طور مستقل از یکدیگر تغییر میکند. کاربرد دستگاه چند منطقهای که دارای یک فن می باشد قادر است کنترل هوادهی و دمای هر منطقه را انجام دهد.
کاربرد این سیستم در مواقعی مطلوب است که یک یا چند شرط زیر وجود داشته باشد:
در دستگاه چند منطقهای برای کنترل رطوبت می توان یک کویل پیش سرمایی را در کانالی که حداقل هوای تازه را تأمین میکند تعبیه کرد. دستگاه های چند منطقه برای ساختمان هایی مناسب است که مقدار بار محسوس آنها زیاد و احتیاجات تجدید هوای آنها محدود باشد.
پیشنهاد مطالعه : نصب و راه اندازی هواساز
از این دستگاه بیشتر برای انجام عملیات گرمایش و سرمایش استفاده می شود. از این دستگاه برای تامین هوای تازه و تهویه مکانهایی مانند فضاهای آموزشی، ادارات ، رستورانها ، بانکها ، مراکز خرید و سالنهای ورزشی، بیمارستانها و مراکزتحقیقاتی و مراکز تولید دارو و... استفاده می شود. البته در بیمارستان ها، مراکز تحقیقاتی و مراکز تولید دارو دستگاه بگونه ای خاص با بدنه استنلس استیل و با استفاده از فیلتر های قوی تر و فن های خاص تولید می شوند که به این هواساز ها اصطلاحا هایژنیک گفته می شود.
از هواساز مرکزی برای تهویه خانگی استفاده نمی شود چرا که به لحاظ کنترل میزان هوا دهی و برگشت هوا به مشکل بر می خورد.
در آپارتمانها و ساختمانهای مسکونی از نوع آپارتمانی استفاده می شود و سیستم هوادهی و تهویه هر واحد بصورت مجزا کنترل می شود.
متاسفانه بسیاری از افرادی که در کار ساخت املاک هستند اطلاعات کاملی از این دستگاه ندارند . انتخاب این دستگاه باید کاملا مهندسی شده و دقیق باشد تا هم به لحاظ هوادهی و افت فشار کانالها مشکلی نباشد و هم ظرفیت حرارتی و برودتی تامین شود.
هواساز آپارتمانی دارای کویل مشترک سرد و گرم و فیلتر و فن است. در بسیاری از پروژه ها از ایرواشر برای سیستم سرمایش هواساز آپارتمانی استفاده می شود، که اگر به درستی اجرا نشود مشکلات عدیدهای را برای ساکنان به وجود می آورد. این دستگاه که از سیستم ایرواشر برای خنککاری استفاده میکند باید :
متاسفانه اگر هر یک از موارد بالا در تهیه، نصب و راه اندازی این دستگاه رعایت نشود امکان بهرهبرداری صحیح از این دستگاه به وجود نمی آید.
هواساز معمولاً به دستگاهی اطلاق میشود که عملیات سرمایشی و گرمایشی در محیط داشته باشد. بسیاری از مشتریان این دستگاه را با دستگاه تصفیه هوا اشتباه می گیرند اگر منظور از دستگاه هواساز منزل دستگاه تصفیه هوا است باید ذکر شود که دستگاه تصفیه هوا هیچگونه عملیات سرمایش و گرمایشی روی هوا انجام نمیدهد و تنها هوا را تصفیه و پاکسازی میکند. و اگر منظور از دستگاه هواساز منزل خرید یک سیستم حرارتی و برودتی است، باید ذکر شود که هوا ساز یک دستگاه وابسته است و نیاز به چیلر و آبگرم موتورخانه دارد.
هواساز صنعتی الزاماً به دستگاه هایی که در صنعت به کار می روند گفته نمی شود؛ هر دستگاه هوا ساز که دارای ظرفیت هوادهی بالایی است و آپارتمانی نیست عملاً یک دستگاه هواساز صنعتی است.
این دستگاه دارای دریچه های ورود و خروج و محفظه اختلاط هوای تازه و هوای برگشتی، فن سانتریفیوژ بزرگتر، کویل های سرمایشی و گرمایشی یا کویل مشترک، فیلترهای تصفیه هوا و ... هستند. دستگاه های هواسازی که در باشگاه های ورزشی و سالن ها ، رستوران ها و ادارات به کار میروند همگی جزو گروه هواساز صنعتی محسوب می شوند.

هواساز هایژنیک که بیشتر جهت تهویه اتاق های تمیز مانند اتاق های عمل ،بخش های بیمارستان ،آزمایشگاه ها ،در شرکت های دارویی و کارخانجات تولید مواد شوینده پزشکی و... بکار می رود دارای پوشش داخلی تمام استیل است و از فیلتر های مخصوص مانند فیلتر هپا ،فیلتر پلیتد ،بگ فیلتر ،سیستم UV ، فیلتر آلومینیومی و... استفاده می کنند.
هواسازهای هایژنیک نسبت به نوع معمولی دارای افت فشار داخلی بیشتر بدلیل استفاده از فیلتر های سری متعدد می باشد و می توان با استفاده از فیلتر های استاندارد 99.9 درصد آلودگی های هوا را توسط این دستگاه جذب کرد . بطور کل از این دستگاه در محل هایی استفاده می شود که در آنجا ذرات معلق و آلوده کننده و میکروب ها و باکتریها و قارچها و ذرات آلرژی زا و... نباید منتقل شوند.
حداقل تعداد مراحل فیلتراسیون در این دستگاه سه مرحله ی فیلتر آلومینیومی، فیلتر کیسه ای و فیلتر هپا است که بنابه درخواست مشتریان می تواند مراحل فیلتراسیون کمتر و یا بیشتر شود.

هواساز خانگی مانند هواساز های صنعتی دارای کویل سرمایش و گرمایش و فن و فیلتر است. کویل در این دستگاه معمولا بصورت مشترک سرمایشی و گرمایشی است که در فصل گرما آب سرد و در فصل سرما آب گرم وارد آن می شود.
معمولا آنچه که در منازل مسکونی به عنوان هوا ساز وجود دارد و در واقع ایرواشر است. که علاوه بر هوا ساز های معمول بخش ایرواشر هم به آن افزوده شده است. افزودن ایرواشر در این دستگاه به جهت عدم نیاز به آب چیلر در تابستان برای خنک کاری است. تامین آب سرد مورد نیاز کویل دستگاه توسط چیلر مرکزی در بسیاری از پروژه ها توجیه اقتصادی ندارد و به جای آن از سرمایش تبخیری (ایرواشر) استفاده می شود.
ایرواشر به لحاظ عملکرد و کیفیت کار به هیچ عنوان مانند کویل DX (کولر گازی) و کویل سرمایش (با استفاده از آبسرد چیلر) نخواهد بود و معمولا نارضایتی مصرف کننده را به همراه دارد. چرا که بحث تعویض هوا و تامین هوای تازه و تخلیه رطوبت در بسیاری از منازل حساب شده نیست.
هواساز ایرواشر خانگی در تابستان مانند کولر آبی عمل می کند و هیچ نوع سرمایش بیشتری را نمی تواند ارائه کند. در فصل زمستان هم آب ایرواشر درون دستگاه تخلیه شده و آب گرم پکیج یا موتورخانه به داخل کویل دستگاه هدایت می شود.

علاوه بر قطعات اصلی مانند فن ، کویل و فیلتر می توان از تجهیزات و سیستم های زیر در کاربری های مختلف هواساز بهره برد.
رطوبت ساز (Humidifier) فرآیند رطوبت زنی در هواساز به وسیله پاشیدن آب از افشانک ها یا شبکه بخار و عمل رطوبت گیری توسط کویل سرد انجام می شود.
مرطوب سازی اغلب در نواحی سرد سیر ، که گرمایش پیوسته سبب وجود هوای خشک گردیده و این خشکی باعث ایجاد کیفیت نا مساعد هوا و الکتریسیته ساکن می گردد ، لازم می باشد.
تبخیری (Evaporative) : هوای خشک از روی یک مخزن آب دمیده شده که سبب تبخیر مقداری از آب می گردد. نرخ تبخیر می تواند توسط پودر کردن آب در جریان هوای خشک افزایش یابد.
بخار ساز (Vaporizer) : بخار آب یا مه از طرف یک دیگ بخار به صورت مستقیم به جریان هوا دمیده می شود.
افشاننده مه (Spray Mist) : آب به وسیله ی یک نازل یا وسیله مکانیکی دیگر ،در شکل قطرات آب افشانده می شود و توسط هوا منتقل می گردد.
ماورای صوت (Ultrasonic) : یک حمام آب سرد در مسیر جریان هوا توسط یک دستگاه ماورای صوت برانگیخته شده و به شکل مه یا ذرات کوچک آب در می آیند.
نمناک کردن (Wetted medium) : الیافی نرم در مسیر جریان هوا توسط آب تازه که از لوله ای فوقانی با مجموعه ای از روزنه های متوالی سرریز شده ، نمناک نگه داشته می شوند.هنگامی که جریان هوا از میان این الیاف گذرد آب را به قطرات بسیار ریز تبدیل می کند. این نوع از رطوبت سازها می توانند سریعا مسدود شوند اگر فیلتر ثانویه هوا در موعد مقرر تعمیر نگردد.
پیشنهاد مطالعه : نگهداری و تعمیر هواساز
رطوبت گیری در هواساز در حد معمول توسط کویل بروتی با استفاده از آب سرد تامین شده توسط چیلر انجام میگیرد.
زمانی که دمای سطح کویل برودتی از دمای شبنم محیط کمتر شود تقطیر روی کیول انجام میشود و رطوبت هوا گرفته میشود.هر چه دمای سیال داخل کویل کمتر شود میزان حذف رطوبت بیشتر میشود.
در صورت استفاده از هوا ساز برای رطوبت گیری بیشتر ، از کویل های DXاستفاده میشود که سیال مبرد مستقیما درون کویل جریان دارد.
پلاگ فن در هواساز معمولا از فن های رادیال بکوارد است که بدون حوزینگ (حلزونی)تولید شود .پلاگ فن در ظرفیت ها و فشار های مختلف تولید می شود تا اطمینان از تامین افت فشار فیلتر ها حاصل شود.
هوای خروجی از پلاگ فن در باکس فن تجمع کرده و بدلیل فشار بالا درون محفظه از آن خارج میشود.
مکش در سیستم پلاگ فن با فن های معمول تفاوتی ندارد.

در مواردی که استفاده از هواساز در سیستم گرمایش ضروری است و گرمایش باید بصورت دائم برقرار باشد و یا اینکه سیستم آبگرم مرکزی در دسترس نیست و یا تدبیر لازم برای تعمیرات موتور خانه اندیشیده می شود از هیتر الکتریکی جهت انجام گرمایش و یا پیش گرمایش استفاده می شود.
سیستم هیت ریکاوری در واقع به استفاده از هوای اگزاست خروجی برای پیش گرمایش هوای ورودی گفته می شود که می توان به وسیله کویل های مخصوص و یا مبدل صفحه ای هوا به هوا آن را اجرا کرد.

صداگیر در پروژه هایی که میزان صدا اهمیت بالایی دارند استفاده می شود و دارای افت فشار بالایی هستند که باید در محاسبات فن دستگاه لحاظ شوند. در صداگیر ها از اسپلیتر های افقی استفاده می شود که معمولا قابلیت نظافت و ضد عفونی دارند.

موتور دمپر ها برای تنظیم دریچه های دستگاه در ورودی ، خروجی و یا هوای برگشتی استفاده میشوند.موتور دمپر ها به دمپر ها متصل می شوند و با توجه به میزان نیاز و تنظیم دمپر ها را باز و بسته می کنند.
موتور دمپر ها با توجه به میزان فشار هوا و ابعاد دریچه ها و دمپر ها با توان های مختلف از ۵ تا ۳۴ نیوتون متر گشتاور تولید میشوند.
موتور دمپر ها به لحاظ عملکرد به دو صورت صفرو صد ( تک ضرب )و یا تدریجی تولید می شوند.
موتور دمپر ها می توانند با فنر برگشت و یا بدون فنر برگشت باشند.موتور دمپر با فنر برگشت ،در زمان از کار افتادن سیستم با استفاده از نیروی فنر دمپر را به حالت اول باز می گرداند.

کویل DX در دستگاه هایی استفاده می شود که با سیستم سرمایش تراکمی مستقیم بصورت پکیج یونیت تولید میشوند و یا اینکه گاز مبرد در سیستم سردکننده ای مانند چیلر مستقیما درون کویلDX دستگاه وارد شده و کویل DX بجای اواپراتور عمل میکند.کویل DX بصورت مستقیم و بدون واسطه سرمایش گاز مبرد را به محیط منتقل می کند.
از سیستم uv و ازن ژنراتور برای ضدعفونی هوای عبوری از دستگاه استفاده می شود که جهت انجام این کار از لامپ uv و یا سیستم تخلیه الکتریکی استفاده می شود.
هوای ورودی به دستگاه های هواساز، شامل انواع ذرات ریز و درشت مختلف معلق و آلوده کننده، میکروب ها، باکتری ها، قارچ ها، ذرات آلرژی زا و... که میتواند ذرات قابل رویت با چشم یا ذرات میکروسکوپی باشد.
در برخی از محیط ها که میزان پاکیزگی هوای محیط اهمیت زیادی دارد، در هواساز فیلترهای مختلفی برای تصفیه هوای آن محیط استفاده میشود.
فیلتر های مورد استفاده در دستگاه هواساز عبارتند از :
فیلتر های با راندمان بالا به صورت گسترده ای در هواساز هایژنیک بیمارستان ها و کاربرد های صنعتی که نیاز به هوای تمیز دارند کاربرد دارند.
فیلتر های با راندمان فوق العاده بالا به کاررفته در هواساز شامل فیلتر های اولپا (ULPA) ، هپا ( (HEPAهستند .
صافی های هپا نوعی صافی خشک و یکبار مصرف است که در یک قاب مقاوم در انواع هواساز قرار گرفته است .
فیلتر های HEPAهپا دارای راندمان 99/97% برای ذرات بیش ازµm 0/3 (سرعت هوا ماکزیمم fpm250 است)
افت فشار اولیه : در راندمان 95% in.W.G 0/5 و راندمان 99/995%-99/97، in.W.G 1
افت فشار نهایی: در راندمان 95% in.W.G 2 و راندمان 99/995%-99/97، in.W.G 3
فیلتر های ULPA دارای راندمان 99/99% برای ذرات بیش از µm 0/12 هستند (سرعت هوای ماکزیمم fpm250 است)
افت فشار اولیه : در راندمان 99/999%-97/99، in.W.G 1
افت فشار نهایی: در راندمان 99/995%-99/97، in.W.G 3
فیلتر های الکترونیکی برای جذب ذرات µm 0/5 تا µm 8 دارای عملکرد موثری در هواساز هستند.
راندمان :30%تا 40% و سرعت هوا: fpm 625
افت فشار اولیه : in.W.G 0/26 ،%90
افت فشار نهایی: in.W.G 0/5 ،%90
کربن فعال متداول ترین ماده مورد استفاده در سیستم های تهویه برای جمع آوری آلاینده های گازی می باشد. این ماده از مواد مختلفی نظیر ذغال ،کک،چوب و پوست نارگیل تهیه می شود.
یک پوندکربن به دلیل خلل و فرج زیادی که دارد (حدوداً دارای 5,000,000 فوت متر مربع سطح جاذب است)می تواند 0/2 تا 0/5 پوند گازهای دارای بو را جذب سطحی نماید. از فیلترهای با راندمان کم و فیلتر های با راندمان متوسط برای عملکرد بهتر فیلتر های کربن اکتیو ممکن است به عنوان پیش فیلتر در هواساز استفاده شوند.
نوعی از سیستم غبار زدایی دارای راندمان بالا در هواساز، بگ فیلتر ها می باشند. این فیلتر ها که شامل کیسه های عمودی به قطر 140 تا 200 میلیمتر و به طول 2300 تا 3200 میلیمتر می باشند. به طور معمول تعدادی از کیسه ها در یک محفظه فلزی به طور موازی درکنار هم قرا میگیرند و جریان غبار از درون آن عبور میکند این نوع فیلتر ها برای ذراتی با قطر µm 1 به کار میروند و اگر به طور مناسبی طراحی شوند دارای راندمان پالایش 95 درصد هستند.
راندمان : 40 تا 50 درصد افت فشار ،سرعت روبه رو fpm 500
افت فشار اولیه اگر :
افت فشار نهایی اگر :
فیلتر های لوله ای در هواساز دارای راندمان 20 تا 25 درصد در سرعت رو به رو fpm 500 می باشند.
افت فشار اولیه در آنها in.W.G 0/2 در راندمان 20 درصد و افت فشار نهایی in.W.G 0/45 در راندمان 20 درصد می باشد.
علاوه بر افت فشار هوا در کانالها، خود دستگاه نیز دارای افت فشار است که به افت فشار دستگاه ، افت فشار استاتیک هواساز گفته میشود.
این افت فشار به دلیل وجود فیلترها، کویل، فن دستگاه و دمپر های ورودی و خروجی است. هر چه تعداد ردیف کویل ها و تعداد ردیف فیلترها در دستگاه افزایش یابد افت فشار استاتیک نیز افزایش مییابد.
تفاوت هواسازها و هوارسان ها در هوای برگشتی به دستگاه است . هواسازها دارای دریچه هوای برگشتی هستند که معمولا قابل تنظیم است اما هوارسان ها این درچه را ندارند و فقط هوای وارد شده به دستگاه از هوای تازه تامین می شود.
ایرواشر ها ، هواسازهای هایژنیک و... در واقع هوارسان هستند چرا که هیچ نوع دریچه برگشتی از هوای محیط ندارند.
قیمت انواع هواساز بستگی به کاربری دستگاه، میزان هوادهی، افت فشار و طول کانال کشی ، امکانات درخواستی مشتری دارد.
بطور مثال جهت ایجاد برودت در دستگاه سه روش کویل DX و کویل آبسرد و سیستم ایرواشر وجود دارد که هر کدام قیمت هواساز را تغییر می دهد.
در بسیاری از هواسازها کویل مشترک گرمایش و سرمایش در نظر گرفته می شود که بصورت فصلی آبسرد و یا آبگرم وارد آن می شود .
در پروژه هایی که نیاز به فیلتراسیون خاص است مانند مراکز درمانی و یا سافیتورینگ و سیستم های مخابراتی و...بجز فیلتر های اولیه از فیلتر های هپا ، پلیتد ، بگ فیلتر ها ، فیلتر های الکترواستاتیک ، فیلتر کربن .لامپ های UV ، سیستم های ازن زن و...استفاده می شود که هر یک در قیمت نهایی متاثر است.
میزان هوادهی و طول کانال کشی معمولا با افزایش متراژ تحت پوشش بالا می رود و هرچه این پارامتر ها بیشتر باشد فن دستگاه بزرگتر خواهد بود.
بدنه هواساز در داخل و یا خارج در بسیاری از پروژه ها باید از جنس استیل باشد و این مورد می تواند تا چند برابر در قیمت هواساز تغییر ایجاد کند.
با توجه به اینکه این دستگاه دارای آپشن های بسیار است و طبق نیاز مشتری تولید می شود باید اطلاعات کامل و دقیق از امکانات و هوادهی و ظرفیت حرارتی و برودتی مورد نیاز ، جهت استعلام قیمت هواساز در اختیار باشد.
به هواساز هایی که سیستم سرمایش آنها از نوع تبخیری و با پوشش آب است دستگاه ایرواشر گفته می شود. ایرواشر حداقل متعلقات یک هواساز را دارد با این تفاوت که به جای کویل سرمایش از سیستم ایرواشر استفاده می کند.
دستگاه ایرواشر معمولا دارای تشت ذخیره آب و پمپ مجزای اسپری آب و نازل های مخصوص به تعداد مورد نیاز هستند . پمپ ایرواشر می تواند از نوع کفکش داخل دستگاه و یا از نوع زمینی با قدرت بالاتر در بیرون دستگاه باشد. در ایرواشر همچنین فیلتر ها ، کویل گرمایش و فن و سیستم ایرواشر وجود دارد. در فصل زمستان سیستم ایرواشر و آب پاش ها خاموش و تشت تخلیه می شود و آبگرم موتور خانه به کویل گرمایی هدایت می شود. به بیان دیگر سیستم کنترل هوادهی در ایرواشر در زمستان با استفاده از کانال های برگشت هوا کار می کند و در فصل تابستان مانند کولر آبی کاملا از هوای تازه تغذیه می کند.

درواقع ایرواشر بخش رطوبت زنی هواساز است که با توجه به گستردگی استفاده از سیستم ایرواشر در سیستم سرمایش تبخیری بعنوان دستگاه ایرواشر شناخته می شود.
می توان گفت ایرواشر سیستم پاشش آب بوسیله نازل های مخصوص درون محفظه دستگاه است که علاوه بر تامین رطوبت در ظرفیت های بالاتر عمل سرمایش را انجام می دهد.
دستگاه ایرواشر معمولا یک کویل هم دارد که فقط بصورت گرمایشی از آن استفاده می شود .ایرواشرها با توجه به تعداد نازل ها و میزان رطوبت دهی به سه دسته کلاس ۴و۶و۸ تقسیم می شوند.
از ایرواشر ها معمولا برای تنظیم رطوبت در کارخانجات نساجی ، تامین هوای تازه و سرمایش ورزشگاه ها ، سالنها وایستگاه های مترو ، آشپزخانه ها و ... استفاده می شود.
ایرواشر ها در واقع نوعی هوارسان است و در زمانی که به صورت ایرواشر (اسپری نازل های آب و خنک کاری) عمل می کند ، هیچ نوع هوای برگشتی از محیط نباید به آنها وارد شود و مانند کولر آبی تماما از هوای تازه تغذیه میشوند .
درسیستم ایرواشر ممکن است کانال ها ی برگشتی هوا و دریچه برگشت تعبیه شده باشد که از آنها در فصل سرما ودر سیستم گرمایش استفاده می شود.در این حالت فقط کویل گرمایش فعال است و سیستم رطوبت زن و ایرواشر عمل نمیکند.
ایرواشر دارای سیستم اختلاط هوا و فیلتراسیون، سیستم فن، سیستم آب پاش و تشت ایرواشر است که درون باکس دستگاه نصب می شود.
با تشکر از اعتماد شما، فروشگاه اینترنتی بامین تهویه تصاویر، اطلاعات فنی ، مشخصات و قیمت انواع هواساز و ایرواشر را جهت مقایسه و خریدی مطمئن در اختیار مشتریان محترم قرار داده است. همچنین برای اطلاع از لیست قیمت هواساز آپارتمانی ، لیست قیمت هواساز خانگی و .... مشاورین بامین تهویه آماده ی پاسخ گویی به سوالات شما می باشند.
بامین تهویه تخصصی ترین وب سایت کشور در زمینه تأسیسات
هواساز (AHU) یک دستگاه تهویه مطبوع مرکزی است که عملیات مختلفی مانند گرمایش، سرمایش، رطوبتزنی، رطوبتگیری، فیلتراسیون و تامین هوای تازه را انجام میدهد. این دستگاه در فضاهای بزرگ مانند بیمارستانها، مراکز تجاری، سالنهای ورزشی و صنعتی استفاده میشود.
هواساز معمولاً از کویلهای آب سرد و گرم برای سرمایش و گرمایش استفاده میکند، درحالی که ایرواشر از سیستم تبخیری (پاشش آب با نازلها) برای خنککاری بهره میبرد. ایرواشر نیازی به چیلر ندارد و گزینه اقتصادیتری برای تابستان است.
هواساز هایژنیک برای محیطهای حساس مانند بیمارستانها و آزمایشگاهها طراحی شده و دارای فیلترهای قوی (HEPA/ULPA)، بدنه استیل ضدزنگ و سیستمهای ضدعفونی UV/ازن است تا هوای کاملاً پاکیزه تأمین کند.
خیر، هواساز معمولاً برای فضاهای بزرگ و تجاری استفاده میشود. برای منازل، هواسازهای آپارتمانی یا سیستمهای VRF پیشنهاد میشود. ایرواشر خانگی نیز گزینهای است اما ممکن است مانند کولر آبی عمل کند و رطوبت محیط را افزایش دهد.
این نوع هواساز امکان کنترل دما و تهویه مستقل در هر منطقه را فراهم میکند و برای ساختمانهای بزرگ با کاربریهای مختلف (مثل ادارات یا بیمارستانها) مناسب است. همچنین مصرف انرژی بهینهتر و امکان کارکرد همزمان سیستم گرمایش و سرمایش را دارد.
ایرواشر با پاشش آب از طریق نازلها، هوا را خنک و مرطوب میکند. آب توسط پمپ از تشتک به نازلها منتقل شده و ذرات آب با جذب گرمای هوا تبخیر میشوند. در زمستان، سیستم ایرواشر خاموش شده و گرمایش از طریق کویل انجام میشود.
عواملی مانند ظرفیت هوادهی (CFM)، نوع فیلتراسیون، جنس بدنه (گالوانیزه یا استیل)، سیستم سرمایش (کویل آب سرد، DX یا ایرواشر) و تجهیزات جانبی (رطوبتزن، UV و...) بر قیمت تأثیرگذارند.
بله، هواساز برای گرمایش به آب گرم موتورخانه و برای سرمایش به آب سرد چیلر نیاز دارد. البته در مدلهای با کویل DX یا ایرواشر، این وابستگی کمتر است.
فن کویل فقط دارای فن و کویل است و برای فضاهای کوچک کاربرد دارد، درحالی که هواساز امکانات کامل تهویه (فیلتر، رطوبتزن، هوای تازه و...) را ارائه میدهد و برای پروژههای بزرگتر استفاده میشود.
خیر، ایرواشر با افزایش رطوبت هوا، شرایط را در مناطق مرطوب نامطلوب میکند. در این مناطق بهتر است از هواساز با کویل آب سرد یا سیستمهای VRF استفاده شود.
دیدگاه خود را با ما در میان بگذارید

ژان
شنبه 11 فروردین 1403سلام . برای خرید هواساز بامین تهویه ، امکان پرداخت به شکل قسطی هم هست؟
بامین تهویه
شنبه 11 فروردین 1403سلام دوست عزیز . خیر برای هیچ یک از محصولاتمون فروش با امکان پرداخت به شکل قسطی نداریم .
سپهر
سه شنبه 14 فروردین 1403سلام موجودی برای هواساز بامین تهویه مدل AHU-BT630 تو سایتتون چطور میتونم ببینم؟
بامین تهویه
سه شنبه 14 فروردین 1403سلام دوست عزیز. لطفا جهت استعلام موجودی برای هواساز بامین تهویه مدل AHU-BT630 با واحد فروش تماس بگیرید تا همکارانمون راهنماییتون کنن. 88306500-021
صادق
چهارشنبه 15 فروردین 1403هواساز صنعتی دست دوم میتونم سفارش بدم؟
بامین تهویه
چهارشنبه 15 فروردین 1403سلام دوست عزیز . ما محصولات دست دوم برای فروش نداریم .
ضیا
شنبه 18 فروردین 1403سلام روز بخیر . ممنون میشم قیمت دستگاه هواساز صنعتی رو بگید.
بامین تهویه
شنبه 18 فروردین 1403سلام ممنون روز شما هم بخیر . لطفا جهت استعلام قیمت برای دستگاه هواساز صنعتی با واحد فروش تماس بگیرید تا همکارانمون راهنماییتون کنن. 88306500-021
غَفّار
یکشنبه 19 فروردین 1403ترموستات هواساز هم به صورت جداگانه برای فروش دارید؟
بامین تهویه
یکشنبه 19 فروردین 1403سلام دوست عزیز لطفا درخواستتون رو برای ترموستات هواساز به واحد فروش اعلام بفرمایید تا همکارانمون راهنماییتون کنن. 88306500-021
فرهام
سه شنبه 21 فروردین 1403چک لیست هواساز بیمارستان رو دارین؟
بامین تهویه
سه شنبه 21 فروردین 1403سلام دوست عزیز . لطفا درخواستتون رو برای چک لیست هواساز بیمارستان به واحد فروش اعلام بفرمایید تا همکارانمون راهنماییتون کنن. 88306500-021
فرید
سه شنبه 21 فروردین 1403قیمت هواساز خانگی ال جی رومیشه بگین؟
بامین تهویه
سه شنبه 21 فروردین 1403سلام دوست عزیز . لطفا جهت استعلام موجودی و قیمت برای هواساز خانگی ال جی با واحد فروش تماس بگیرید تا همکارانمون راهنماییتون کنن. 88306500-021
گردگیر
یکشنبه 26 فروردین 1403چند نوع هواساز داریم؟
بامین تهویه
سه شنبه 29 خرداد 1403سلام دوست عزیز . سوالی که مطرح کردید ، بسیار کلی هستش .
به لحاظ مناطق تحت پوشش ، سیستم ساختاری داخل هواساز ، کاربری هواساز و ... هرکدام شامل دسته بندی مجزا هستند .
گشسپ
یکشنبه 26 فروردین 1403برای سفارش مینی هواساز سالن قارچ میتونم از طریق سایتتون اقدام کنم؟
بامین تهویه
یکشنبه 26 فروردین 1403سلام دوست عزیز. خیرتنها راه ثبت سفارش تماس با واحد فروش است. لطفا جهت استعلام موجودی و ثبت سفارش برای مینی هواساز سالن قارچ با واحد فروش تماس بگیرید تا همکارانمون راهنماییتون کنن. 88306500-021
یاسین
دوشنبه 27 فروردین 1403هواساز دو طبقه چه برندی موجود دارین؟
بامین تهویه
دوشنبه 27 فروردین 1403سلام دوست عزیز . لطفا جهت استعلام موجودی برای هواساز دو طبقه با واحد فروش تماس بگیرید تا همکارانمون راهنماییتون کنن . 88306500-021
دانشمند
چهارشنبه 29 فروردین 1403برای انتخاب ظرفیت هواساز به چه نکاتی باید توجه کرد ؟ لطفا راهنماییم کنین.
بامین تهویه
شنبه 2 تیر 1403سلام دوست عزیز . به منظور انتخاب ظرفیت هواساز باید به نکاتی توجه کرد از جمله :
کاربری
متراژ
منطقه آب و هوایی
درصد هوای برگشتی
آراسته
چهارشنبه 29 فروردین 1403برای ثبت سفارش برای ایرواشر و هواساز چطور میتونم اقدام کنم؟
بامین تهویه
چهارشنبه 29 فروردین 1403سلام دوست عزیز . به منظور ثبت سفارش لطفا با واحد فروش تماس بگیرید تا همکارانمون راهنماییتون کنن. 88306500-021
چابک پی
شنبه 1 اردیبهشت 1403قیمت هواساز ایرانی موجودتون رو لطفا بگین.
بامین تهویه
شنبه 1 اردیبهشت 1403سلام دوست عزیز به دلیل نوسانات موجود در بازار ، قیمت برای محصولات در سایت درج نمی شود . لطفا جهت استعلام موجودی و قیمت برای هواساز مد نظرتون ، با واحد فروش تماس بگیرید تا همکارانمون راهنماییتون کنن.88306500-021
حامی فر
یکشنبه 2 اردیبهشت 1403هواساز صنعتی ایرواشر چه برندی موجود دارید؟
بامین تهویه
یکشنبه 2 اردیبهشت 1403سلام دوست عزیز . لطفا جهت استعلام موجودی برای هواساز صنعتی ایرواشر با واحد فروش تماس بگیرید تا همکارانمون راهنماییتون کنن. 88306500-021
اولادی
دوشنبه 3 اردیبهشت 1403هواساز ژاپنی چه برندی موجود دارین؟
بامین تهویه
دوشنبه 3 اردیبهشت 1403سلام دوست عزیز.لطفا درخواستتون رو برای هواساز ژاپنی به واحد فروش اعلام بفرمایید تا همکارانمون راهنماییتون کنن. 88306500-021
فربخش
سه شنبه 4 اردیبهشت 1403قیمت هواساز جی پلاس رو کجای سایت میشه دید؟
بامین تهویه
سه شنبه 4 اردیبهشت 1403سلام دوست عزیز . لطفا جهت استعلام موجودی و قیمت برای هواساز جی پلاس ، با واحد فروش تماس بگیرید تا همکارانمون راهنماییتون کنن. 88306500-021
خدایارور
یکشنبه 9 اردیبهشت 1403هواساز شرکت سبلان تهویه دارید برای فروش؟
بامین تهویه
یکشنبه 9 اردیبهشت 1403سلام دوست عزیز . لطفا جهت استعلام موجودی برای هواساز شرکت سبلان تهویه ، با واحد فروش تماس بگیرید تا همکارانمون راهنماییتون کنن. 88306500-021