شرکت هپاکو از تولیدکنندگان پیشرو در زمینه مبدل حرارتی صفحه ای با راندمان بالای 90% است که در دو نوع جوشی (یکپارچه) و واشردار (گسکتی) عرضه میشود. این مبدلها با جنس استنلس استیل 316، تحمل فشار تا 30 بار و دمای کاری 200- تا 200 درجه سانتیگراد، گزینهای ایدهآل برای سیستمهای گرمایشی، سرمایشی و صنعتی محسوب میشوند. در این مقاله به بررسی مشخصات فنی، مزایا، نحوه محاسبه ظرفیت و قیمت مبدلهای صفحه ای هپاکو میپردازیم.
>> راهنمای خرید مبدل حرارتی صفحه ای هپاکوشرکت هپاکو از تولیدکنندگان پیشرو در زمینه مبدل حرارتی صفحه ای با راندمان بالای 90% است که در دو نوع جوشی (یکپارچه) و واشردار (گسکتی) عرضه میشود. این مبدلها با جنس استنلس استیل 316، تحمل فشار تا 30 بار و دمای کاری 200- تا 200 درجه سانتیگراد، گزینهای ایدهآل برای سیستمهای گرمایشی، سرمایشی و صنعتی محسوب میشوند. در این مقاله به بررسی مشخصات فنی، مزایا، نحوه محاسبه ظرفیت و قیمت مبدلهای صفحه ای هپاکو میپردازیم.
به منظور تکمیل اطلاعات مشتریان عزیز، توضیحات جامع و تخصصی در ارتباط با خرید محصولات مبدل حرارتی صفحه ای هپاکو در زیر به تفصیل بیان شده است.
همچنین کاربران عزیز می توانند جهت مشاهده 7 برند معتبر مبدل حرارتی، و مقایسه قابلیت های هر برند و کاربری هر یک از مدل های مبدل حرارتی صفحه ای به لینک زیر مراجعه نمایند.

مبدل حرارتی صفحه ای هپاکو در دو نوع یکپارچه جوشکاری شده (Brazed) و گسکتی واشر دار تولید و عرضه می گردد .
مبدل حرارتی صفحه ای هپاکو یکپارچه از ظرفیت 20000 تا 750000 کیلوکالری بر ساعت در مدل های مختلف موجود می باشد.
مبدل حرارتی هپاکو دارای راندمان بالای 90 درصد و بصورت جریان مخالف و cunter current هستند.
جنس تمامی مبدل های صفحه ای حرارتی هپاکو از نوع استینلس استیل 316 که آبگرم بهداشتی را بصورت فوری (بدون حجم ذخیره) به کمترین هزینه ( راندمان بالای 90% ) و بدون اتلاف انرژی تامین می کند.
استفاده از آبگرمکن های مخزن دار به جهت جلوگیری از رشد باکتری ها و سایر آلودگی ها ، می باید در دمای 60 درجه سانتی گراد تولید و در مخازن ذخیره (منبع دوجداره و منبع کویل دار) نگهداری شود که این امر خود سبب افزایش هزینه های تامین انرژی می گردد. از روی دیگر سطح حرارتی منابع کویل دار که شامل کویل های مسی با ضخامت های مختلف می شود دارای توان و ضریب انتقال حرارتی معادل با 25% ضریب انتقال حرارتی صفحات مبدل حرارتی صفحه ای است.
ضریب هدایت حرارتی و به تبع آن قدرت توان حرارت در سطح حرارت منابع دو جداره که سطح انتقال حرارت آن معمولا ورق گالوانیزه است به میزان 10% مبدل صفحه ای هپاکو است.
کاربرد مبدل صفحه ای هپاکو در نوع آب به آب - بخار به آب - روغن به آب و... می باشد.
مبدل صفحه ای هپاکو یکپارچه از ظرفیت 400 تا 15000 لیتر بر ساعت قابلیت گرمایش و دبی عبوری آب را با ایجاد اختلاف دمای 50 درجه میان آب ورودی و خروجی دارند، که این مقدار دبی مربوط به سمت سرد مبدل حرارتی است و در سمت گرم مبدل حرارتی دبی آب حدودا ۲/۵ برابر سمت گرم می باشد .
مبدل حرارتی صفحه ای هپاکو در ظرفیت معادل با منابع دوجداره و منابع کویل دار دارای حجم و وزن بسیار کم هستند که از مزایای آن عدم اشغال فضای موتورخانه ، حمل سریع و راحت ، لوله کشی و نصب آسان، سرویس و نگه داری راحت تر، عدم نیاز به عایق کاری و ... می باشد .
مبدل حرارتی هپاکو یکپارچه مانند منابع ذخیره آب گرم کویلی و دوجداره مشکل پوسیدگی و نشتی آب پس از گذشت زمان را ندارند ، چرا که از مقاومت بالایی در برابر اکسید شدن برخوردارند. از دیگر مزایای مبدل هپاکو می توان به تداوم و پیوستگی در استفاده از آب گرم بدون تغییر دما و افت کیفیت آب اشاره کرد.
در زمان استفاده از منابع کویل دار یا دو جداره که دارای حجم ذخیره با آب تازه جایگزین شده، اگر ظرفیت منبع کویل دار یا دو جداره به درستی انتخاب نشود دمای آبگرم خروجی کم کم افت می کند. جهت برآورد ظرفیت مبدل حرارتی صفحه ای هپاکو یکپارچه جهت مصارف بهداشتی و مسکونی به ازای هر واحد از ساختمان در حالت نرمال (یک دوش حمام - یک سرویس بهداشتی ، یک سینک ظرفشویی و .. در هر واحد ) تعداد 350 تا 500 لیتر در ساعت در اختلاف دمای 50 درجه سانتی گراد ( اختلاف دمای آب سرد ورودی و آب گرم خروجی ) می باشد.
استفاده از مبدل صفحه ای هپاکو در ساختمان هایی که امکان جا به جایی منابع با حجم بالا و یا امکان ساختن منبع ذخیره آب گرم مصرفی در محل را ندارند گزینه بسیار مناسبی است. برآورد ظرفیت مبدل حرارتی هپاکو جهت استفاده در سیستم های صنعتی نیازمند محاسبات دقیق است. میزان ظرفیت حرارتی ذکر شده در جداول برای شرایط کاری آب به آب است لذا در محاسبه ظرفیت مبدل حرارتی صفحه ای هپاکو جهت کاربرد در سیستم اویل کولر Oil Cooler (خنک کاری روغن) این میزان ظرفیت ۵ تا ۱۰ برابر کمتر میشود، چراکه ضریب انتقال حرارت روغن به نسبت آب پایین تر است.
مبدل صفحه ای هپاکو یکپارچه دارای حداقل افت فشار 9 کیلوپاسکال معادل 0.1 بار در طرف سرد و حداکثر افت فشار 52 کیلوپاسکال معادل 0.5 بار در سمت گرم می باشد.که البته میزان افت فشار با میزان دبی رابطه مستقیم دارد. مبدل هپاکو یکپارچه قابلیت تحمل فشار آب تا 25 بار و تحمل دما تا 200 درجه سانتی گراد را دارا می باشد. برای براورد حدودی ظرفیت مبدل حرارتی صفحه ای هپاکو به جهت استفاده در سیستم گرمایشی از کف به ازای هر متر از طول لوله کشی سیستم گرمایش که از جنس pexallpex است مقدار 140 کیلوکالری ظرفیت حرارتی در نظر گرفته می شود.
در پاسخ به این سوال که مبدل حرارتی صفحه ای جایگزین منبع دوجداره می تواند باشد؟ به تفصیل در این مقاله به عملکرد هر دو دستگاه و مزایا و معایب آنها پرداخته ایم.

جهت انتخاب و محاسبه ظرفیت مبدل حرارتی صفحه ای هپاکو برای سیستم های صنعتی، گزینه های زیر باید در دسترس باشند:


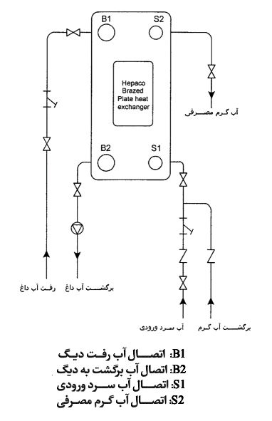
در نصب و راه اندازی مبدل صفحه ای هپاکو جهت مصرف آبگرم مصرفی بهداشتی باید موارد زیر رعایت شود :

در سرویس و نگهداری مبدل حرارتی هپاکو جوشی مهم ترین مسئله رفع به موقع و صحیح رسوبات احتمالی که معمولا در سمت آب سرد ایجاد می شود است.
برای رسوب زدایی از مبدل صفحه ای هپاکو به هیچ وجه از ضد رسوب الکترونیکی یا مغناطیسی استفاده نکنید و بهتر است با اسید های گیاهی انجام شود تا از آسیب دیدن صفحات مبدل و نقاط جوش جلوگیری شود.
شرکت بامین تهویه، امکان اسید شویی و رسوب زدایی از مبدل حرارتی صفحه ای هپاکو یکپارچه را در هر ظرفیتی با استفاده از بهترین موارد و مدرن ترین دستگاها، دارا می باشد.
در مقاله نحوه رسوب زدایی مبدل حرارتی به طور دقیق علت ایجاد رسوب و روش های رسوب زدایی و اسید شویی را بررسی کرده ایم.
قیمت مبدل حرارتی موتورخانه هپاکو بستگی به نوع، ساختار مبدل، ظرفیت و میزان صفحات دارد. از آنجایی که مدل های مبدل حرارتی هپاکو بسیار متنوع بوده، لیست قیمت مبدل حرارتی صفحه ای هپاکو گسترده می باشد.
می توانید برای دریافت قیمت انواع مبدل حرارتی با مشاورین بامین تهویه در تماس باشید.
مبدل حرارتی صفحه ای هپاکو در تمامی ظرفیت ها دارای یکسال گارانتی و 10 سال خدمات پس از فروش می باشد.
با تشکر از اعتماد شما، فروشگاه اینترنتی بامین تهویه با ارائه ی تصاویر، اطلاعات فنی و مشخصات انواع برند مبدل جهت مقایسه و خرید مبدل حرارتی صفحه ای هپاکو ، در اختیار مشتریان محترم قرار داده است. مشاورین بامین تهویه آماده ی پاسخ گویی به سوالات فنی شما در خصوص مشخصات فنی انواع مبدل صفحه ای هپاکو می باشند.
بامین تهویه تخصصی ترین وب سایت کشور در زمینه تأسیسات
مبدلهای هپاکو با راندمان بالای ۹۵ درصد، فشار کاری تا ۳۰ بار و دمای کاری ۲۰۰- تا ۲۰۰ درجه سانتیگراد تولید میشوند و از جنس استنلس استیل ۳۱۶ با ضریب انتقال حرارتی بالا هستند.
بله، به دلیل راندمان بالا، حجم و وزن کمتر، عدم نیاز به عایقکاری و نداشتن مشکل پوسیدگی و نشتی، مبدل هپاکو جایگزین مناسبی برای منابع دوجداره است.
به ازای هر واحد مسکونی با مصرف معمول، ظرفیت ۳۵۰ تا ۵۰۰ لیتر در ساعت با اختلاف دمای ۵۰ درجه برای مبدل در نظر گرفته میشود.
نصب پمپ گردش، سختیگیر، صافی، چهار شیر قطع و وصل، ماسوره جهت اسیدشویی و پایه نگهدارنده الزامی است و نباید وزن مبدل به لولهها منتقل شود.
رسوبزدایی باید با اسیدهای گیاهی انجام شود و نباید از دستگاههای ضد رسوب مغناطیسی یا الکترونیکی استفاده کرد تا به صفحات مبدل آسیب نرسد.
قیمت مبدل صفحهای هپاکو بر اساس نوع، ظرفیت و تعداد صفحات آن متغیر است و برای اطلاع دقیق باید با مشاوران فروش تماس گرفت.
تمامی مدلهای مبدل صفحهای هپاکو دارای یک سال گارانتی و ده سال خدمات پس از فروش هستند.
دیدگاه خود را با ما در میان بگذارید

عبدالله وند
پنجشنبه 22 آذر 1403سلام وقتتون بخیر .
مبدل حرارتی صفحه ای هپاکو HP-50 چند تومن در بازار خرید و فروش میشه ؟
حدود قیمت رو طی هفته گذشته و امروز بگین کافی هستش . قیمت دقیق لازم ندارم.
تشکر .
بامین تهویه
پنجشنبه 22 آذر 1403سلام دوست عزیز .
لطفا جهت استعلام قیمت برای محصول موردنظرتون با واحد فروش شرکت بامین تهویه تماس بگیرید تا همکاران به روز ترین اطلاعت رو در اختیارتون قرار دهند . 88306500-021
شهبازدوست
دوشنبه 21 آبان 1403مقدار دبی مبدل حرارتی صفحه ای هپاکو 400 لیتری ، همون 400 لیتر بر ساعت هستش که نوشته برای دستگاه ؟
بامین تهویه
دوشنبه 21 آبان 1403سلام دوست عزیز ، دبی مبدل حرارتی صفحه ای هپاکو Hepaco Heat Exchanger HP-40 ، برابر با 400 لیتر بر ساعت می باشد .
جعفر پناه
سه شنبه 17 مهر 1403سلام شما ، ارزان ترین مبدل حرارتی صفحه ای هپاکو که از نوع واشردار باشه ، با چه ظرفیتی موجود دارید ؟
بامین تهویه
سه شنبه 17 مهر 1403سلام دوست عزیز .
لطفا جهت استعلام موجودی برای محصول مورد نظرتون با واحد فروش شرکت بامین تهویه تماس بگیرید تا همکاران متناسب با درخواستتون راهنماییتون کنن . 88306500-021