پمپ سیرکولاتور ابارا محصولی ایتالیایی می باشد که در سری های LPS ، MR ، LPC تولید و عرضه می شوند.انواع پمپ سیرکولاتور ابارا مناسب انتقال مایعات در سیستم سیرکولاسیون در سیستم های گرمایش و سرمایش خانگی، سیستم های تهویه مطبوع، پکیج های حرارتی ساختمان، سیستم های آبیاری بارانی سطحی و سایر مصارف صنعتی می باشد.پمپ سیرکولاتور ابارا در انواع چدنی و استیل با برق مصرفی تک فاز و سه فاز تولید می شوند.از مزایای پمپ سیرکولاتور ابارا، کم صدا بودن حین کار و نصب آسان دستگاه می باشد به طوری که یک فرد با کمی اطلاعات فنی می تواند به راحتی آن ها را نصب کند.
>> راهنمای خرید پمپ سیرکولاتور خطی اباراپمپ سیرکولاتور ابارا محصولی ایتالیایی می باشد که در سری های LPS ، MR ، LPC تولید و عرضه می شوند.انواع پمپ سیرکولاتور ابارا مناسب انتقال مایعات در سیستم سیرکولاسیون در سیستم های گرمایش و سرمایش خانگی، سیستم های تهویه مطبوع، پکیج های حرارتی ساختمان، سیستم های آبیاری بارانی سطحی و سایر مصارف صنعتی می باشد.پمپ سیرکولاتور ابارا در انواع چدنی و استیل با برق مصرفی تک فاز و سه فاز تولید می شوند.از مزایای پمپ سیرکولاتور ابارا، کم صدا بودن حین کار و نصب آسان دستگاه می باشد به طوری که یک فرد با کمی اطلاعات فنی می تواند به راحتی آن ها را نصب کند.
به منظور تکمیل اطلاعات مشتریان عزیز، توضیحات جامع و تخصصی در ارتباط با خرید محصولات پمپ سیرکولاتور خطی ابارا در زیر به تفصیل بیان شده است.
همچنین کاربران عزیز می توانند جهت مشاهده برند های معتبر پمپ سیرکولاتور و مقایسه قابلیت های هر برند و کاربری هر یک از مدل های پمپ سیرکوله به لینک زیر مراجعه نمایند.
جهت مشاهده لیست انواع پمپ سیرکولاتور کلیک نمایید.

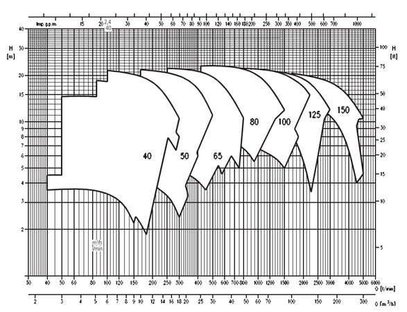
پمپ سیرکولاتور ابارا سری LPS به منظور گردش و انتقال مایعات در فشار پایین برای سیستم های گرمایش و سرمایش خانگی، صنعتی و سیستم های تهویه مطبوع مورد استفاده قرار می گیرد که در انواع تکفاز و سه فاز با دبی حداکثر 24 متر مکعب بر ساعت و ارتفاع پرتاب آب تا حداکثر 19.8 متر تولید و توزیع می شوند.

پمپ های سیرکولاتور سری LPS ابارا از پروانه سانتریفیوژ بسته، یاتاقان بلبرینگ دو رو بسته و آب بندی سیل مکانیکی و بدنه، پروانه و شفت از جنس استیل ساخته شده است.
دور موتور پمپ سیرکولاتور سری LPS ابارا 2900 rpm و کلاس عایق بندی آن F می باشد.
پمپ سیرکولاتور ابارا سری LPS دارای راندمان و طول عمر بالایی می باشد و به علت برخورداری از درجه حفاظت IP55 این دستگاه را تا حد زیادی ایمن کرده است.

پمپ سیرکولاتور ابارا سری MR سه سرعته به منظور گردش و انتقال مایعات در سیستم های گرمایش خانگی و پکیج حرارتی ساختمان مورد استفاده قرار می گیرد که با دبی حداکثر 3.6 متر مکعب بر ساعت و ارتفاع پرتاب آب تا حداکثر 5.9 متر و حداکثر فشار کاری 10 بار تولید و توزیع می شوند.
پمپ های سیرکولاتور سری MR ابارا از پوسته با جنس چدنی، پروانه تکنو پلیمر، سفتو یاتاقان استیل ساخته شده است.
نصب پمپ سیرکولاتور ابارا سری MR خطی بوده و برای عملکرد بهتر آن باید در راستای افق قرار گرفته شود.

پمپ سیرکولاتور خطی ابارا سری LPC سه فاز از انواع پمپ ها برای مصارف صنعتی است که از آن به منظور گردش و انتقال مایعات در سیستم هاي تهویه مطبوع و گرمایشی، سیستم های آبیاری بارانی سطحی و سایر مصارف صنعتی مورد استفاده قرار می گیرد که با دبی حداکثر 300 متر مکعب بر ساعت و ارتفاع پرتاب آب تا حداکثر 23.5 متر تولید و توزیع می شوند.
پمپ های سیرکولاتور سری LPC ابارا از پروانه سانتریفیوژ ، یاتاقان بلبرینگ دو رو بسته و آب بندی سیل مکانیکی و بدنه و پروانه از جنس چدن ساخته شده است.

قیمت پمپ سیرکولاتور یکی از فاکتورهای مهم در انتخاب و خرید شما است اما بهتر است علاوه بر قیمت به کیفیت محصول نیز توجه کنید.
از عوامل تاثیر گذار و تعیین کننده در انتخاب و قیمت پمپ سیرکولاتور ابارا نوع پمپ بر اساس نیاز شما، هد و دبی، جنس پمپ و توان الکتروموتور آن می باشد.
برای خرید پمپ سیرکولاتور ابارا و یا دریافت مشاوره و لیست قیمت پمپ سیرکولاتور ابارا با کارشناسان بامین تهویه در تماس باشید.
بامین تهویه تخصصی ترین وب سایت کشور در زمینه تأسیسات
بله، طراحی این پمپ ها به گونه ای است که هنگام کار کم صدا بوده و نصب آسانی دارند.
تمامی مدل ها از سیل مکانیکی برای آب بندی استفاده می کنند.
بله، سری LPS دارای درجه حفاظت IP55 بوده و در برابر نفوذ آب و گردوغبار مقاوم است.
دیدگاه خود را با ما در میان بگذارید

حسین ریحان دوست
یکشنبه 30 دی 1403پمپ سیرکولاتور خطی ابارا استیل تک فاز LPS محافظ حرارتی اتوماتیک اضافه بار داره ؟
بامین تهویه
یکشنبه 30 دی 1403دوست عزیز ، بله ، برای موتورهای تک فاز در نظر گرفته شده است .
لطفا جهت دریافت راهنمایی بیشتر ، با واحد فروش شرکت بامین تهویه تماس بگیرید تا همکاران متناسب با درخواستتون راهنماییتون کنن . 88306500-021
علیرضا ساسانی
دوشنبه 17 دی 1403برای سیستم گرمایشی خانگی پمپ سیرکولاتور سه فاز ابارا LPS می تونم سفارش بدم ؟
بامین تهویه
دوشنبه 17 دی 1403دوست عزیز ، لطفا با واحد فروش تماس بگیرید تا همکاران متناسب با نیاز و درخواستتون راهنماییتون کنن . 88306500-021
جواد ربانی
شنبه 10 آذر 1403وقت بخیر .
قیمت فروش پمپ سیرکوله خطی ابارا استیل تک فاز lps 25-15 m چند تومن هست ؟
بامین تهویه
شنبه 10 آذر 1403سلام ممنون وقت شما هم بخیر .
دوست عزیز ، لطفا جهت استعلام قیمت برای محصول موردنظرتون با واحد فروش شرکت تماس بگیرید تا همکاران راهنماییتون کنن . 88306500-021
صدرالله
پنجشنبه 3 آبان 1403توان موتور پمپ سیرکولاتور خطی استیل تکفاز ابارا ، LPS 25-08 M ، برابر با چند اسب بخار هست ؟
بامین تهویه
پنجشنبه 3 آبان 1403دوست عزیز ، توان موتور پمپ سیرکولاتور ابارا خطی استیل تکفاز ، LPS 25-08 M ، برابر با 0.11 اسب بخار می باشد .
دکالی
چهارشنبه 21 شهریور 1403برای خریداری پمپ سیرکولاتور خطی ابارا MR چطور میتونم سفارش ثبت کنم ؟
بامین تهویه
چهارشنبه 21 شهریور 1403تنها راه ثبت سفارش تماس با واحد فروش شرکت بامین تهویه است .
لطفا تماس بگیرید تا همکاران متناسب با نیازتون راهنماییتون کنن . 88306500-021
حسین زاده پور
شنبه 27 مرداد 1403سلام . سری LPC پمپ سیرکولاتور ابارا ، چه قیمت هست ؟
بامین تهویه
شنبه 27 مرداد 1403سلام دوست عزیز . لطفا جهت استعلام موجودی و قیمت برای پمپ سیرکولاتور ابارا با سری و مدل موردنظرتون با واحد فروش شرکت بامین تهویه تماس ببگیرید و نیازتون رو مطرح بفرمایید تا همکارانمون راهنماییتون کنن . 88306500-021
پدرام صنعت
چهارشنبه 3 مرداد 1403برای پکیج حرارتی ساختمان ، می توانم برای پمپ سیرکولاتور ابارا تو سایتتون سفارش ثبت کنم ؟
بامین تهویه
چهارشنبه 3 مرداد 1403سلام دوست عزیز . انواع پمپ سیرکولاتور ابارا مناسب انتقال مایعات در سیستم سیرکولاسیون در سیستم های گرمایش و سرمایش خانگی ، سیستم های تهویه مطبوع ، پکیج حرارتی ساختمان ، سیستم های آبیاری بارانی سطحی و سایر مصارف صنعتی می باشد .
لطفا جهت استعلام موجودی و قیمت برای مدل مورد نیازتون از پمپ سیرکولاتور ابارا ، با واحد فروش تماس بگیرید تا همکارانمون راهنماییتون کنن . 88306500-021